Neptun
- Мощность (Вт)
- 0,5 модуль; 10 кран; 0,05 датчик
- Макс. рабочая температура (C)
- +120
- Макс. ток нагрузки (А)
- 5
- Длина установочного провода, м
- 2м. Датчик; 1 м. кран
- Страна производства
- Россия
- Диаметр трубы 3/4 дюйма
- Страна изготовитель - Италия/Россия
- Материал крана - горячекованная латунь CW617N
- Способ передачи сигнала - проводной
- Питание - 220 В
- Максимальное количество датчиков - 20 шт.
- Максимальное количество кранов - 6 шт.
- Функция проворота кранов - есть
- Способ инсталляции - накладной монтаж
- Время срабатывания - 21 сек.
- Давление - 40 бар
- Длина соединительного провода - 0.5 м
- Модуль управления Neptun Base-1шт
- Датчик контроля протечки воды SW005-2 шт
- Кран шаровый с электроприводом серии NEPTUN BUGATTI PRO 220В-1шт
- Комплект производится в двух исполнениях: с кранами диаметром ½’’ и c кранами диаметром ¾’’
Система контроля протечки воды Neptun Base Light предназначена для установки в квартиры с газовой колонкой, где подведено только холодное водоснабжение (в комплекте один кран). Система заблокирует подачу воды до устранения причин протечки и проинформирует о возникшей аварии звуковым и световым сигналами.
Характеристики:
Состав комплекта:

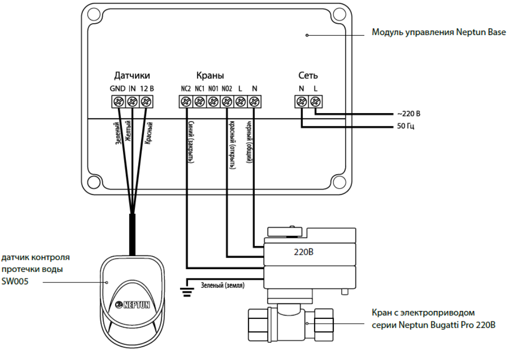
Схема подключения:
14 790 ₽
за шт. с НДС
Цена без учета скидки
14 790 ₽
Цена без учета скидки
Самовывоз: сегодня
Список магазинов самовывозаКурьером: бесплатно, завтра
В вашем городеПункты выдачи: от 1 дня
Более 10 000 по всей России- Мощность (Вт)
- 0,5 модуль; 10 кран; 0,05 датчик
- Макс. рабочая температура (C)
- +120
- Макс. ток нагрузки (А)
- 5
- Длина установочного провода, м
- 2м. Датчик; 1 м. кран
- Страна производства
- Россия
- Гарантия (год)
- 6
- Вес (кг)
- 1.37
- Коллекция
- Система Neptun Base Light
- Бренд
- Neptun
- Материал
- Латунь; Сталь
- Артикул
- 4620013423410
Система контроля протечки воды Neptun Base Light предназначена для установки в квартиры с газовой колонкой, где подведено только холодное водоснабжение (в комплекте один кран). Система заблокирует подачу воды до устранения причин протечки и проинформирует о возникшей аварии звуковым и световым сигналами.
Характеристики:
- Диаметр трубы 3/4 дюйма
- Страна изготовитель - Италия/Россия
- Материал крана - горячекованная латунь CW617N
- Способ передачи сигнала - проводной
- Питание - 220 В
- Максимальное количество датчиков - 20 шт.
- Максимальное количество кранов - 6 шт.
- Функция проворота кранов - есть
- Способ инсталляции - накладной монтаж
- Время срабатывания - 21 сек.
- Давление - 40 бар
- Длина соединительного провода - 0.5 м
Состав комплекта:
- Модуль управления Neptun Base-1шт
- Датчик контроля протечки воды SW005-2 шт
- Кран шаровый с электроприводом серии NEPTUN BUGATTI PRO 220В-1шт
- Комплект производится в двух исполнениях: с кранами диаметром ½’’ и c кранами диаметром ¾’’

Схема подключения:
- Мощность (Вт)
- 0,5 модуль; 10 кран; 0,05 датчик
- Макс. рабочая температура (C)
- +120
- Макс. ток нагрузки (А)
- 5
- Длина установочного провода, м
- 2м. Датчик; 1 м. кран
- Страна производства
- Россия
- Гарантия (год)
- 6
- Вес (кг)
- 1.37
- Коллекция
- Система Neptun Base Light
- Бренд
- Neptun
- Материал
- Латунь; Сталь
- Артикул
- 4620013423410
Система контроля протечки воды Neptun Base Light предназначена для установки в квартиры с газовой колонкой, где подведено только холодное водоснабжение (в комплекте один кран). Система заблокирует подачу воды до устранения причин протечки и проинформирует о возникшей аварии звуковым и световым сигналами.
Характеристики:
- Диаметр трубы 3/4 дюйма
- Страна изготовитель - Италия/Россия
- Материал крана - горячекованная латунь CW617N
- Способ передачи сигнала - проводной
- Питание - 220 В
- Максимальное количество датчиков - 20 шт.
- Максимальное количество кранов - 6 шт.
- Функция проворота кранов - есть
- Способ инсталляции - накладной монтаж
- Время срабатывания - 21 сек.
- Давление - 40 бар
- Длина соединительного провода - 0.5 м
Состав комплекта:
- Модуль управления Neptun Base-1шт
- Датчик контроля протечки воды SW005-2 шт
- Кран шаровый с электроприводом серии NEPTUN BUGATTI PRO 220В-1шт
- Комплект производится в двух исполнениях: с кранами диаметром ½’’ и c кранами диаметром ¾’’

