16 апреля 2026543
Обогрев открытой террасы частного дома
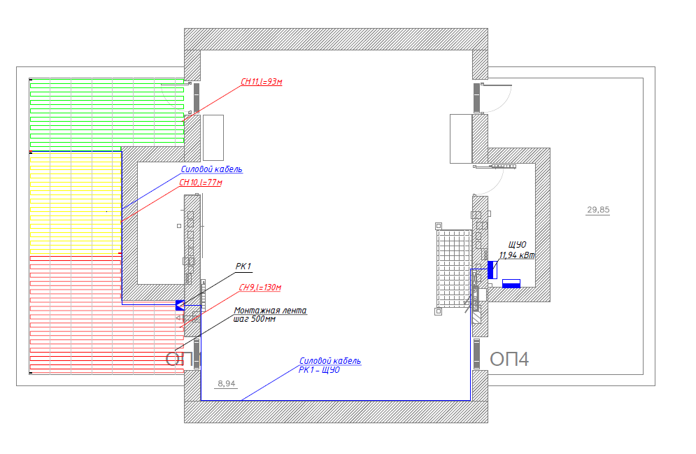
Описание объекта и задачи
Название проекта: Обогрев жилого комплекса Северный Версаль.
Адрес: Санкт-Петербург, муниципальный округ Лахта-Ольгино.
Задача: Создание обогрева двух открытых террас.
Для реализации проекта были использованы следующие материалы:
- Резистивный греющий кабель (суммарная длина 780 м)
- Соединительная заделка КПШ
- Комплект монтажной ленты
- Силовой кабель
- Щит управления обогревом
- Распределительные коробки
Этапы установки системы обогрева
1. Подготовительные работы и планирование
Монтажная бригада провела тщательный осмотр террас, чтобы определить оптимальные места для укладки греющего кабеля и установки крепежных элементов. Были проведены замеры и расчеты, чтобы определить необходимое количество материалов и мощность системы. Особое внимание было уделено выбору резистивного греющего кабеля, который обеспечивает эффективное и равномерное обогревание.

2. Укладка и фиксация греющего кабеля
На террасах греющий кабель был разложен с шагом 100 мм и зафиксирован монтажной лентой, что обеспечило равномерное распределение тепла по всей поверхности.

3. Прокладка силового кабеля и установка щита управления
Силовой кабель был проложен от источника питания до щита управления обогревом, который был оснащен метеостанцией для автоматического регулирования температуры. Это оборудование обеспечило возможность автоматического и ручного управления системой, а также мониторинг погодных условий для оптимизации работы обогрева.

4. Пуско-наладочные работы
После установки всех элементов системы были проведены пуско-наладочные работы, включающие проверку работоспособности всех компонентов и настройку параметров работы системы. Особое внимание было уделено тестированию резистивного греющего кабеля и метеостанции, чтобы убедиться в их эффективности и надежности.
Результаты и выводы
В результате проведенных работ была успешно установлена система обогрева террас, которая обеспечивает надежную защиту от образования наледи и снега. Система работает в автоматическом режиме, что обеспечивает удобство и безопасность эксплуатации. Все работы были выполнены в соответствии с графиком, демонстрирующие высокую скорость и эффективность нашей команды. Если Вы хотите реализовать похожий проект, оставляйте заявку на почту info@obogrev-lux.ru.